Välkommen till DinByggteknik
Hos oss hittar du hjälp med allt som rör bygglovshandlingar:
- A-ritningar, arkitektritningar eller A-handlingar
- K-ritningar eller konstruktionsritningar
- konstruktionsdokumentation
- Dimensioneringskontroll
- Brandskyddsbeskrivning
- Energiberäkning
- Fuktsäkerhetsbeskrivning
Gör bygglovet enkelt – vi fixar handlingarna åt dig!
Drömmer du om att bygga nytt, bygga ut eller förändra ditt hem? Vi hjälper dig att ta nästa steg utan krångel!
Hos oss får du bygglovshandlingar klara på rekordtid, professionellt utförda av erfarna ritare, och till ett riktigt konkurrenskraftigt pris.
Vi hjälper dig hela vägen från idé till godkänt bygglov.
Förutom bygglovshandlingarna levererar vi :
- 3D Skissar på dit byggnation.
- Renderade bilder.
- Klimatdeklaration.
Vi vet att bygglov kan kännas komplicerat, därför gör vi det enkelt:
- Snabb leverans
- Lågt pris – hög kvalitet
- Allt enligt kommunens krav
Spara tid, pengar och stress – låt oss fixa ditt bygglov snabbt och smidigt!
Kontakta oss redan idag för en kostnadsfri offert och se hur enkelt det kan vara att komma igång.
A-ritningar/Arkitektritningar
A-ritningar omfattar:
- Planer
- Fasader
- Sektioner
- Situationsplan
Dessa ritningar inkluderar även information om byggnads höjd, vilket är avgörande för att säkerställa att bygget följer lokala bestämmelser och regler. Dessutom specificerar ritningarna boarea och byggarea, som är centrala för att definiera hur mycket utrymme som kommer att användas för bostäder respektive hela byggnaden.
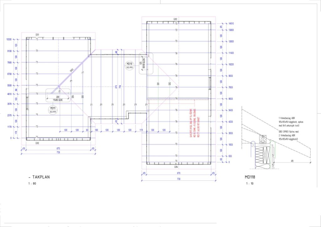
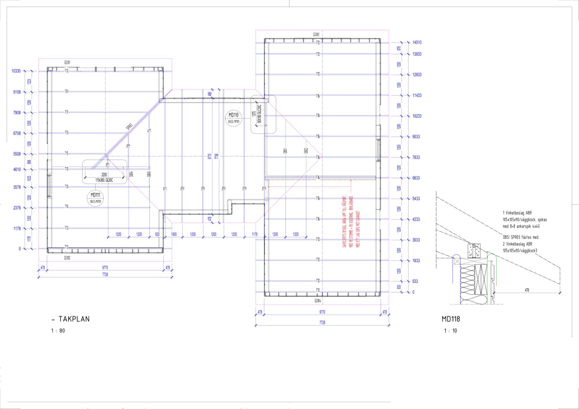
K-ritningar/Konstruktionsritningar
K-ritningar inkluderar bl.a.
- Grundritning
- Stomplan
- Takstolar och takplan
- Sektioner
- Detaljer
Dessa ritningar innehåller specifikationer för material och dimensioner, vilket är nödvändigt för att kunna skapa en stabil och hållbar struktur.
Genom att följa K-ritningarna noggrant kan byggprojekt genomföras mer effektivt och med högre kvalitet.
3D Ritningar och Visualisering
Vi skapar 3D-ritningar som ger dig en klar bild av dina projekt.
Vi tillhandahåller renderings tjänster som förvandlar dina idéer till verklighet, med noggrant utvalda färger och material som passar just dina behov.
Låt oss hjälpa dig att visualisera ditt drömprojekt med högkvalitativa 3D-lösningar som ger dig en komplett och realistisk bild av ditt framtida byggande.
Konstruktionsberäkning
Konstruktionsberäkning innebär att dimensionera olika byggnadsdelar enligt svenska standarder, såsom Boverkets Byggregler (BBR) och Eurokoderna. Dimensioneringen syftar till att säkerställa att byggnader uppfyller krav på säkerhet, hållbarhet och funktion.
Dimensioneringskontroll säkerställer att konstruktioner dimensioneras enligt svenska standarder, inklusive Boverkets Byggregler (BBR) och Eurokoder. Dessa standarder syftar till att garantera säkerhet, hållbarhet och funktionalitet i byggnader.
Dimensioneringskontroll
Brandskyddsbeskrivning
Brandskyddsbeskrivning redovisar byggnadens branskyddsåtgärder, inklusive utrymningsvägar, brandtekniska klassningar och installationskrav. Den är avgörande för att säkerställa att byggnaden uppfyller gällande brandskyddsregler och att personer kan vistas där på ett tryggt sätt
Fuktsäkerhetsbeskrivning
Fuktsäkerhetsbeskrivning beskriver hur byggnaden skyddas mot fuktproblem under både byggskede och drift. Den omfattar val av material, konstruktionslösningar och ventilationsprinciper, samt rutiner för att minimera risken för mögel och skador orsakade av fukt.
Energiberäkning
Energiberäkning visar att byggnaden uppfyller Boverkets byggregler (BBR) avseende energihushållning och värmeisolering. Beräkningen används för att bedöma energiprestanda och planera energieffektiva lösningar, vilket bidrar till minskad miljöpåverkan och lägre driftkostnader.
Klimatdeklaration
En klimatdeklaration är ett dokument som visar hur mycket koldioxid och andra växthusgaser som en byggnad eller produkt orsakar under sin livscykel.
Syftet är att öka transparensen, minska klimatpåverkan och underlätta val av mer hållbara alternativ. Den hjälper både företag och konsumenter att fatta miljömedvetna beslut.
















































































